PRODUCTS
- Home
- Products
- Relay lens
- Relay Lens RL06130D
Relay lens
Relay Lens RL06130D
Relay Lens RL06130D

Product Features
- ① High image fidelity
- ② Supports wide-angle inspection up to 130°
- ③ Suitable for array-based inspection of end products
- ④ Easy installation
Specifications
| Model | Field of View | MDR | Exit Pupil Diameter | Weight | Simulation Distance Range | Distortion | Outline Dimensions |
|---|---|---|---|---|---|---|---|
| RL06130D | 130° | 6 mm | 4 mm | 0.23 kg | 500 – INF mm | < 30% | Φ74 × 28.7 mm |
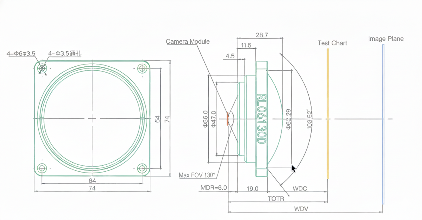
Mechanical Dimensions

* MDR: Installation distance from camera module to relay lens image-side
WDV: Distance from camera module to simulated image plane
WDC: Distance from relay lens object-side to test chart
WDV: Distance from camera module to simulated image plane
WDC: Distance from relay lens object-side to test chart
Test Chart Size at Maximum Field of View
| WDV (mm) | WDC (mm) | Test Chart Size (L × W) | |||
|---|---|---|---|---|---|
| 16:9 Format | 4:3 Format | ||||
| Camera Module to Image Plane Distance | Relay Lens to Test Chart Distance | Length (mm) | Width (mm) | Length (mm) | Width (mm) |
| 400 | 193.71 | 486.39 | 273.60 | 446.45 | 334.84 |
| 1000 | 257.38 | 629.22 | 353.94 | 577.55 | 433.16 |
| 5000 | 309.63 | 746.40 | 419.85 | 685.10 | 513.83 |
| Infinity | 325.90 | 782.89 | 440.37 | 718.60 | 538.95 |
Authorized Distributor of Lontry Technology | iboson Technology