PRODUCTS
- Home
- Products
- Relay lens
- Relay Lens RL06130C
Relay lens
Relay Lens RL06130C
Relay Lens RL06130C

Product Features
- ① High image fidelity
- ② Low distortion
- ③ Supports wide-angle inspection up to 130°
- ④ Suitable for array-based inspection of end products
- ⑤ Compact test chart requirement
Specifications
| Model | Field of View | MDR | Exit Pupil Diameter | Weight | Simulation Distance Range | Distortion | Outline Dimensions |
|---|---|---|---|---|---|---|---|
| RL06130C | 130° | 6 mm | 4.5 mm | 0.35 kg | 250 – INF mm | < 15% | Φ92 × 31 mm |
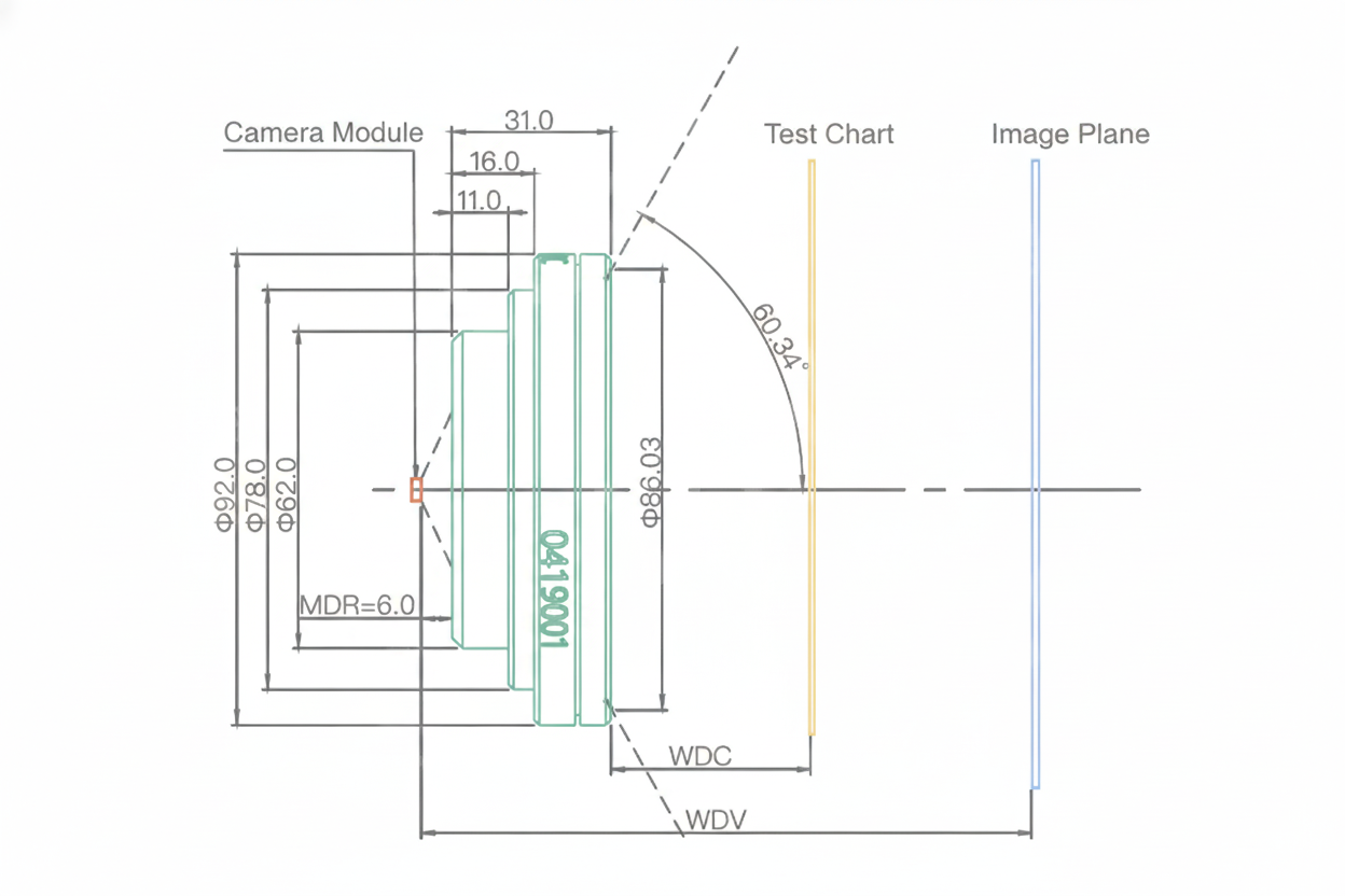
Mechanical Dimensions

* MDR: Installation distance from camera module to relay lens image-side
WDV: Distance from camera module to simulated image plane
WDC: Distance from relay lens object-side to test chart
WDV: Distance from camera module to simulated image plane
WDC: Distance from relay lens object-side to test chart
Test Chart Size at Maximum Field of View
| WDV (mm) | WDC (mm) | Test Chart Size (L × W) | |||
|---|---|---|---|---|---|
| 16:9 Format | 4:3 Format | ||||
| Camera Module to Image Plane Distance | Relay Lens to Test Chart Distance | Length (mm) | Width (mm) | Length (mm) | Width (mm) |
| 300 | 115.4 | 428.7 | 241.1 | 393.5 | 295.1 |
| 1000 | 171.9 | 603.0 | 339.2 | 553.4 | 415.1 |
| 5000 | 203.1 | 699.5 | 393.5 | 642.1 | 481.6 |
| Infinity | 212.52 | 728.6 | 409.8 | 668.7 | 501.6 |
Authorized Distributor of Lontry Technology | iboson Technology