PRODUCTS
- Home
- Products
- Relay lens
- Relay Lens RL0990
Relay lens
Relay Lens RL0990
Relay Lens RL0990

Key Features
- ① Compact lens body with low distortion
- ② Large exit pupil supporting up to 5 mm diameter
- ③ Suitable for telephoto and periscope lens inspection
- ④ Suitable for array-based inspection
Specifications
| Model | Field of View | MDR | Exit Pupil Diameter | Weight | Simulation Distance Range | Distortion | Outline Dimensions |
|---|---|---|---|---|---|---|---|
| RL0990 | 90° | 9 mm | 5 mm | 0.04 kg | 300 – INF mm | < 0.3% | Φ45 × 15 mm |
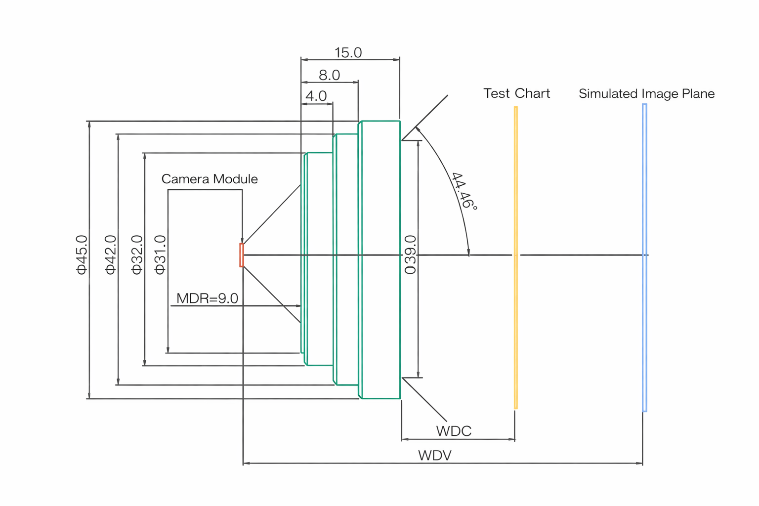
Mechanical Dimensions

* MDR: Mounting distance from camera module to the image-side of the relay lens
WDV: Distance from camera module to simulated image plane
WDC: Distance from relay lens object side to test chart
WDV: Distance from camera module to simulated image plane
WDC: Distance from relay lens object side to test chart
Test Chart Size at Maximum Angle
| WDV (mm) | WDC (mm) | Test Chart Size (L × W) | |||
|---|---|---|---|---|---|
| 16:9 Format | 4:3 Format | ||||
| Camera to Image Plane Distance | Relay Lens to Test Chart Distance | Length (mm) | Width (mm) | Length (mm) | Width (mm) |
| 400 | 233.14 | 432.82 | 243.46 | 397.28 | 297.96 |
| 1000 | 371.12 | 670.29 | 377.04 | 615.24 | 461.43 |
| 5000 | 531.82 | 946.84 | 532.60 | 869.08 | 651.81 |
| Infinity | 594.93 | 1055.44 | 593.69 | 968.77 | 726.58 |
Authorized Distributor of Lontry Technology | iboson Technology